ALLURE社区

 立即注册  找回密码
 立即注册
搜索
查看: 249|回复: 0

[圆弧] 板材圆弧参照表

[复制链接]

[圆弧] 板材圆弧参照表

[复制链接]

23

主题

0

回帖

193

积分

版主

威望 : 0
贡献 : 46
金币 : 114
在线时间 : 20 小时
注册时间 : 2024-9-4
最后登录 : 2025-9-23
姚健强

23

主题

0

回帖

193

积分

版主

威望 : 0
贡献 : 46
金币 : 114
在线时间 : 20 小时
注册时间 : 2024-9-4
最后登录 : 2025-9-23
2025-4-23 11:50:53 | 显示全部楼层 |阅读模式

本帖最后由 姚健强 于 2025-5-19 14:11 编辑

本帖最后由 姚健强 于 2025-4-23 14:41 编辑

本帖最后由 姚健强 于 2025-4-23 14:40 编辑

本帖最后由 姚健强 于 2025-4-23 14:09 编辑

image.png

image.png
image.png

image.png
image.png

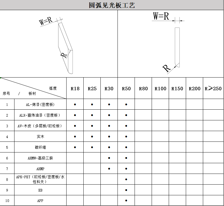
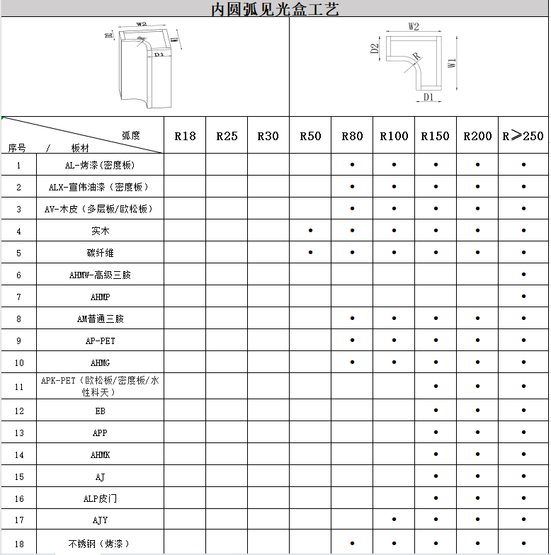
5:普通三胺多 层 夹 板 基 材 见 光 盒 只 能 做 横 纹,高 度 最 高 也 只 能 做 1 2 0 0 M M 高 。

本帖子中包含更多资源

您需要 登录 才可以下载或查看,没有账号?立即注册

×
您需要登录后才可以回帖 登录 | 立即注册

本版积分规则

Archiver|手机版|小黑屋|ALLURE

GMT+8, 2026-4-17 18:51 , Processed in 0.034731 second(s), 23 queries .

Powered by Discuz! X3.5

© 2001-2025 Discuz! Team.

快速回复 返回顶部 返回列表